Qualität: 9e27 DIN 3962/63/67
Material: C45 UNI EN 10027-1; Rm≈650N/mm²
Verzahnung: durch Werkzeuge verarbeitete Verzahnung.
Verzahnungsdaten:
Fp Gesamtteilungsfehler:
abhängig von der Länge der Zahnstange (siehe Tabelle)
Die Molinati-Präzisionszahnstangen der DSF-Serie mit modularer Teilung Q9 werden in variabler Länge (500 bis 1000 mm) und Modul (1,5 bis 6 mm) hergestellt und entsprechen dem internationalen Standard für gefräste schrägverzahnte Zahnstangen.
Der Produktionsprozess, der vollständig in unserem Unternehmen stattfindet, wird von Anfang an überwacht, um dem Kunden die höchste Qualität und Effizienz zu garantieren.
Die Verwendung von Zahnrädern auf schrägverzahnten Zahnstangen der DSF-Serie gewährleistet schnelle, präzise und geräuscharme lineare Bewegungen in Industriemaschinen jeder Art.
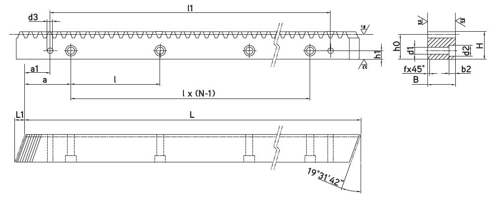
Alle Maße in [mm]

pt:Stirnteilung - Z: Zähnezahl - N: Bohrungsanzahl - d3: vorgebohrte Bohrungen für Verstiftungen
Bitte beachten: zur Montage ist eine separat verfügbare Montagezahnstange notwendig, um die Teilung zwei aufeinanderfolgender Zahnstangen zu gewährleisten - Das Ritzel kann auf Anfrage mitgeliefert werden.